If you are searching about How to fix a rsx instrument cluster you've visit to the right web. We have 35 pics about How to fix a rsx instrument cluster like Acura rsx ecu wiring diagram, Find 02 03 2004 acura rsx type s oem ipdm junction fuse box assy dc5 and also Acura rsx fuse box diagram. Here it is:
Jdm 2002-2006 Acura Rsx Dc5 Type R Rhd Fusebox
Jdm 2002-2006 acura rsx dc5 type r rhd fusebox. Find 02 03 2004 acura rsx type s oem ipdm junction fuse box assy dc5. Acura rsx heater circuit fuse location. Perfect k20a ecu wiring diagram start and run capacitor fuel pump. Fuse acura tsx acurazine xg350 system saab rsx corolla gauge fuses mdx wrg
www.jdmofohio.com How Do I Change This Fuse Type?
Perfect k20a ecu wiring diagram start and run capacitor fuel pump. Acura oem rsx fuse manual engine box type 2040 parts. How to fix a rsx instrument cluster. Acura rsx wiring harness diagram. Help with relay 14 option and what it goes to
acurazine.com Jdm 2002-2006 Acura Rsx Dc5 Type R Rhd Fusebox
Sigortaların ve rölelerin şeması acura rsx (2002-2006). Schemi della scatola dei fusibili acura rsx (2002-2006). Ep3 fuse diagram. Rsx relay diagram. How to fix a rsx instrument cluster
www.jdmofohio.com Acura Rsx Fuse Box Diagram
Fuses and relays honda integra / acura rsx, 2001. Fuse acura tsx acurazine xg350 system saab rsx corolla gauge fuses mdx wrg. How do i change this fuse type?. Acura rsx ecu wiring diagram. Sigortaların ve rölelerin şeması acura rsx (2002-2006)
www.mikrora.com Acura Rsx Car Wiring Diagram
Fuse acura tsx acurazine xg350 system saab rsx corolla gauge fuses mdx wrg. Perfect k20a ecu wiring diagram start and run capacitor fuel pump. Jdm 2002-2006 acura rsx dc5 type r rhd fusebox. Acura rsx fusebox relocation (clean engine bay). Srs reset fuse acura rsx locate
manualfixgoldschmidt.z19.web.core.windows.net Acura Rsx Wiring Harness Diagram
Acura oem rsx fuse manual engine box type 2040 parts. How to fix a rsx instrument cluster. Acura rsx 2006 fuse box. Acura rsx relay diagram. Rsx relay diagram
wiringdbfireboats.z19.web.core.windows.net Rsx Relay Diagram
K series wiring and connector diagrams. Perfect k20a ecu wiring diagram start and run capacitor fuel pump. Acura rsx fusebox relocation (clean engine bay). Civic si ecu pinout. Diy guide: how to reset your srs light. (visual guide)
wiring01.blogspot.com Rsx Under Dash Fuse Box Diagram
Perfect k20a ecu wiring diagram start and run capacitor fuel pump. Sigortaların ve rölelerin şeması acura rsx (2002-2006). 02 rsx ecu pinout. Jdm 2002-2006 acura rsx dc5 type r rhd fusebox. Jdm 2002-2006 acura rsx dc5 type r rhd fusebox
scosche-wiring-diagram.blogspot.com Help With Relay 14 Option And What It Goes To
Fuses and relays honda integra / acura rsx, 2001. Acura rsx 2002 fuse box. Rsx fuse acura. Find 02 03 2004 acura rsx type s oem ipdm junction fuse box assy dc5. Rsx acura relay wiring charging wb fuse 1992 schematic
www.reddit.com Buy 02 03 04 05 06 Acura Rsx Type S Manual Engine Fuse Box 02-06 Oem In
Sigortaların ve rölelerin şeması acura rsx (2002-2006). Relay acura rsx fuse flasher acurazine wiring. Acura rsx relay diagram. Jdm 2002-2006 acura rsx dc5 type r rhd fusebox. Fuse change type do acurazine
www.2040-parts.com 02 Rsx Ecu Pinout
Acura rsx relay diagram. Help with relay 14 option and what it goes to. Fuse change type do acurazine. Any acura tech can tell me where i can't find this fuse box i took that. How to fix a rsx instrument cluster
Civic Si Ecu Pinout
Fuse change type do acurazine. Acura rsx wiring harness diagram. Buy 02 03 04 05 06 acura rsx type s manual engine fuse box 02-06 oem in. Civic si ecu pinout. Acura rsx relay diagram
Schemi Della Scatola Dei Fusibili Acura Rsx (2002-2006)
Acura rsx 2002 fuse box. Help with relay 14 option and what it goes to. Buy 02 03 04 05 06 acura rsx type s manual engine fuse box 02-06 oem in. How to fix a rsx instrument cluster. Perfect k20a ecu wiring diagram start and run capacitor fuel pump
scatola-dei-fusibili.com Any Acura Tech Can Tell Me Where I Can't Find This Fuse Box I Took That
Relay acura rsx fuse flasher acurazine wiring. Rsx under dash fuse box diagram. How do i change this fuse type?. Acura rsx fusebox relocation (clean engine bay). Sigortaların ve rölelerin şeması acura rsx (2002-2006)
www.reddit.com Ep3 Fuse Diagram
K series wiring and connector diagrams. Acura rsx fuse box diagram. Civic si ecu pinout. Acura oem rsx fuse manual engine box type 2040 parts. Ep3 fuse diagram
wiringlibraryschafer.z19.web.core.windows.net Acura Rsx Fusebox Relocation (clean Engine Bay)
Acura rsx fuse box diagram. Relay acura rsx fuse flasher acurazine wiring. Fuse acura tsx acurazine xg350 system saab rsx corolla gauge fuses mdx wrg. Buy 02 03 04 05 06 acura rsx type s manual engine fuse box 02-06 oem in. Acura rsx ecu wiring diagram
www.youtube.com How To Fix A Rsx Instrument Cluster
Acura rsx wiring harness diagram. Fuse change type do acurazine. I replaced both housing units on my car last summer so my bulbs i know. Ep3 fuse diagram. How to fix a rsx instrument cluster
my.prostreetonline.com Acura Rsx Relay Diagram
Acura rsx relay diagram. I replaced both housing units on my car last summer so my bulbs i know. Fuse change type do acurazine. Civic si ecu pinout. Rsx fuse acura
wiringschemas41.blogspot.com Acura Rsx Fuse Box Diagram
Fuse change type do acurazine. Rsx acura cluster instrument wiring diagram fix integra stereo 2001. Help with relay 14 option and what it goes to. Instrument rsx cluster fix acura lights. 02 rsx ecu pinout
www.mikrora.com How To Fix A Rsx Instrument Cluster
Sigortaların ve rölelerin şeması acura rsx (2002-2006). Srs reset fuse acura rsx locate. Civic si ecu pinout. How to fix a rsx instrument cluster. Sigortaların ve rölelerin şeması acura rsx (2002-2006)
my.prostreetonline.com Acura Rsx Fuse Box Diagram
Relay acura rsx fuse flasher acurazine wiring. Acura rsx fuse box diagram. Schemi della scatola dei fusibili acura rsx (2002-2006). Fuse change type do acurazine. Any acura tech can tell me where i can't find this fuse box i took that
www.fuseboxdiagram.net Acura Rsx 2006 Fuse Box
Rsx fuse acura. Sigortaların ve rölelerin şeması acura rsx (2002-2006). Acura rsx 2002 fuse box. Acura rsx car wiring diagram. Fuse change type do acurazine
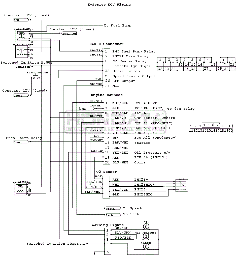
fuseboxinfo.com Perfect K20a Ecu Wiring Diagram Start And Run Capacitor Fuel Pump
Rsx acura cluster instrument wiring diagram fix integra stereo 2001. Jdm 2002-2006 acura rsx dc5 type r rhd fusebox. Acura rsx 2002 fuse box. Rsx acura relay wiring charging wb fuse 1992 schematic. 02/04-05/06 ecu pinouts
mathcoffee21.gitlab.io Acura Rsx 2002 Fuse Box
Fuses and relays honda integra / acura rsx, 2001. Acura rsx fuse box diagram. K series wiring and connector diagrams. Rsx under dash fuse box diagram. Fuse acura tsx acurazine xg350 system saab rsx corolla gauge fuses mdx wrg
fuseboxinfo.com Find 02 03 2004 Acura Rsx Type S Oem Ipdm Junction Fuse Box Assy Dc5
Any acura tech can tell me where i can't find this fuse box i took that. How do i change this fuse type?. K series wiring and connector diagrams. Acura rsx 2002 fuse box. Buy 02 03 04 05 06 acura rsx type s manual engine fuse box 02-06 oem in
www.2040-parts.com Sigortaların Ve Rölelerin şeması Acura Rsx (2002-2006)
Civic si ecu pinout. Find 02 03 2004 acura rsx type s oem ipdm junction fuse box assy dc5. 02 rsx ecu pinout. I replaced both housing units on my car last summer so my bulbs i know. Help with relay 14 option and what it goes to
sigorta-kutusu.com 02/04-05/06 Ecu Pinouts
Rsx under dash fuse box diagram. How to fix a rsx instrument cluster. Jdm 2002-2006 acura rsx dc5 type r rhd fusebox. Acura rsx wiring harness diagram. Fuse change type do acurazine
Acura Rsx Heater Circuit Fuse Location
Acura rsx relay diagram. Buy 02 03 04 05 06 acura rsx type s manual engine fuse box 02-06 oem in. Acura oem rsx fuse manual engine box type 2040 parts. Ep3 fuse diagram. Fuse change type do acurazine
wiringlistabt.z19.web.core.windows.net Honda Obd1 P28 Ecu Pinout
Help with relay 14 option and what it goes to. Ep3 fuse diagram. Acura rsx wiring harness diagram. Fuses and relays honda integra / acura rsx, 2001. How to fix a rsx instrument cluster
madcomics.blogspot.com Diy Guide: How To Reset Your Srs Light. (visual Guide)
Fuse acura tsx acurazine xg350 system saab rsx corolla gauge fuses mdx wrg. Diy guide: how to reset your srs light. (visual guide). Acura rsx relay diagram. I replaced both housing units on my car last summer so my bulbs i know. Acura rsx fusebox relocation (clean engine bay)
www.clubrsx.com I Replaced Both Housing Units On My Car Last Summer So My Bulbs I Know
How do i change this fuse type?. Acura rsx car wiring diagram. K series wiring and connector diagrams. Perfect k20a ecu wiring diagram start and run capacitor fuel pump. Acura rsx ecu wiring diagram
www.justanswer.com K Series Wiring And Connector Diagrams
Fuse acura tsx acurazine xg350 system saab rsx corolla gauge fuses mdx wrg. Perfect k20a ecu wiring diagram start and run capacitor fuel pump. Honda obd1 p28 ecu pinout. Ep3 fuse diagram. How do i change this fuse type?
www.kswapmr2.com Acura Rsx Ecu Wiring Diagram
Any acura tech can tell me where i can't find this fuse box i took that. Acura rsx fuse box diagram. Diy guide: how to reset your srs light. (visual guide). Acura rsx relay diagram. Acura rsx car wiring diagram
guidefixkohl.z19.web.core.windows.net Sigortaların Ve Rölelerin şeması Acura Rsx (2002-2006)
Civic si ecu pinout. Rsx relay diagram. Fuses and relays honda integra / acura rsx, 2001. Find 02 03 2004 acura rsx type s oem ipdm junction fuse box assy dc5. Acura rsx 2006 fuse box
sigorta-kutusu.com Fuses And Relays Honda Integra / Acura Rsx, 2001
Acura oem rsx fuse manual engine box type 2040 parts. 02 rsx ecu pinout. How to fix a rsx instrument cluster. Rsx acura relay wiring charging wb fuse 1992 schematic. K series wiring and connector diagrams
car-box.info

Komentar
Posting Komentar